热门搜索:31号令防雷检测仪,甲级/乙级防雷检测设备,防雷大地网测试仪,数字等电位测试仪,AGV智能充电站
Product category

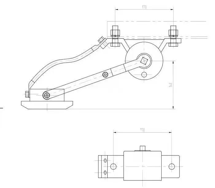
一、特点JDX-10接地靴是按照国标GB/T15361-94的有关条款及起重机安全规程“每台起重机应具有明显的接地装置要求",是为轨道式起重设备设计的一种可随轨道高低而滑动的接地装置。同时和避雷针配合使用。能把雷电产生的较大千安的电流引入大地,保护起重机房电器不因雷击而损坏,同时也解决了因雷电时起重设备行走而产生的电压差,导致火花损坏行走机构轴承(因轴承为点接触)而造成损失。


联系我们
上海徐吉电气有限公司 www.fanglei17.com 公司地址:上海市宝山区水产西路680弄4号楼508 技术支持:化工仪器网扫一扫 更多精彩
微信二维码
网站二维码